0536 576 59 69
eticaret@stsrulman.com.tr
Online Rulman ve Ekipmanları Satış Sitesi
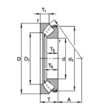
Ölçü: 100x170x42
Döner iç bilezik ile oynak makaralı rulman, yanlış hizalamalar ve şaft sapmaları telafisi sunar. Darbe yüklerine ve hızlanma kuvvetlerine karşı iyi koruma sağlar.
| Detaylı Bilgiler | |
|---|---|
| İç Çap Ø (mm) d | |
| Dış Çap Ø (mm) D | |
| Genişlik (mm) B | |
| Dinamik Yük : [KN] C | |
| Statik Yük : [KN] C0 | 765 |
| Gres Yağı /Devir Hız Sınırı : [dk] | 1.650 |
| Sıvı Yağ /Devir Hız Sınırı : [dk] | 2.100 |
| Ürün Menşei : | ALMAN |
| Ürün Ağırlığı : kg | 9.700 |