6005 2Z C3 SKF Rulman

Ölçü : 25x47x12

Kompak boyutlara ve düşük ağırlığa sahip. Ekstra hafif seri, her iki yönde yüksek radyal yükler ve hafif eksenel yükler için uygundur. Yüksek ve sessiz çalışma doğruluğu sunar. Yüksek sızdırmazlık etkisi için her iki taraftan kauçuktan temas dudaklı conta (2rs) uygulanmıştır.

 Ürünün teknik bilgileri aşağıda yer almaktadır.

Detaylı Bilgiler
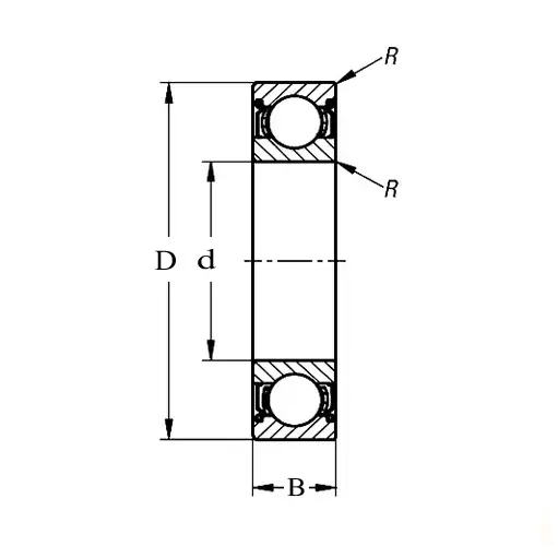
İç Çap Ø (mm): d25
Diş Çap Ø (mm): D47
Genişlik (mm): B12
 Dinamik Yük  : KN[Cr]11.90
Statik Yük  :  KN[C0r]6.55
Gres Yağı /Devir Hız Sınırı : [dk]32.000
Sıvı Yağ /Devir Hız Sınırı : [dk]16.000
Yağlama Türü:Gres
Ürün Ağırlığı:0.080 kg

Açıklama

Kullanım Alanları

  • İslak Mendik Paketleme Makinalerı
  • FX 3Reng Flexo Baskı Makinaları
  • Tam Otamatik Şişe Etiketleme
  • Yatay Toz ve Sıvı Dolum Makinaları
  • Akıllı Kart Sistemleri
  • Geçiş Turnikeleri
  • Taşınabilir Teraziler
  • Torba dolum Kantarları
  • Konvayör Bant Kantarları


Whatsapp İletişim