6030 2RS1 SKF Rulman

Ölçü : 150x225x35

Yüksek sızdırmazlık etkisi için her iki taraftan kauçuktan temas dudaklı NBR conta (2rs) uygulanmıştır.

 Ürünün teknik bilgileri aşağıda yer almaktadır.

Detaylı Bilgiler
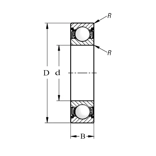
İç Çap Ø (mm): d150
Diş Çap Ø (mm): D225
Genişlik (mm): B35
 Dinamik Yük  : KN[Cr]125.0
Statik Yük  :  KN[C0r]120.0
R/MIN /Devir Hız Sınırı : [dk]1.750
Kapak Tipi: 2RSHNBR Conta Kapak
Yağlama Türü:Gres
C0 :Normal Radyal İç Açıklık
Ürün Ağırlığı:4.350 kg

Açıklama

 Kullanım Alanları

  • İslak Mendik Paketleme Makinalerı
  • FX 3Reng Flexo Baskı Makinaları
  • Tam Otamatik Şişe Etiketleme
  • Yatay Toz ve Sıvı Dolum Makinaları
  • Akıllı Kart Sistemleri
  • Geçiş Turnikeleri
  • Taşınabilir Teraziler
  • Torba dolum Kantarları
  • Konvayör Bant Kantarları


Whatsapp İletişim