6204 2RSH SKF Rulman

Ölçü : 20x47x14

Yüksek sızdırmazlık etkisi için her iki taraftan kauçuktan temas dudaklı NBR conta (2rs) uygulanmıştır.

 Ürünün teknik bilgileri aşağıda yer almaktadır.

Detaylı Bilgiler
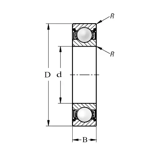
İç Çap Ø (mm): d20
Diş Çap Ø (mm): D47
Genişlik (mm): B14
 Dinamik Yük  : KN[Cr]13.50
Statik Yük  :  KN[C0r]6.55
R/MIN /Devir Hız Sınırı : [dk]10.000
Kapak Tipi: 2RSHNBR Conta Kapak
Yağlama Türü:Gres
C0 :Normal Radyal İç Açıklık
Ürün Ağırlığı:0.110 kg

Açıklama

Kullanım Alanları

  • İslak Mendik Paketleme Makinalerı
  • FX 3Reng Flexo Baskı Makinaları
  • Tam Otamatik Şişe Etiketleme
  • Yatay Toz ve Sıvı Dolum Makinaları
  • Akıllı Kart Sistemleri
  • Geçiş Turnikeleri
  • Taşınabilir Teraziler
  • Torba dolum Kantarları
  • Konvayör Bant Kantarları
  • Roll Form Hatları
  • Sıvı Dolum Makinaları


Whatsapp İletişim