0536 576 59 69
eticaret@stsrulman.com.tr
Online Rulman ve Ekipmanları Satış Sitesi
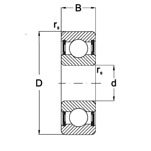
Ölçü : 25x52x15
Tek sıra sabit bilyalı rulmanlar; kompak boyutlara ve düşük ağırlığa sahip, ekstra hafif seri, her iki yönde yüksek radyal yükler ve hafif eksenel yükler için uygundur. Yüksek ve sessiz çalışma doğruluğu sunar. Yüksek sızdırmazlık etkisi için her iki taraftan kauçuktan temas dudaklı conta (2rs) uygulanmıştır.
Ürünün teknik bilgileri aşağıda yer almaktadır.
| Detaylı Bilgiler | |
|---|---|
| İç Çap Ø (mm): d | 25 |
| Diş Çap Ø (mm): D | 52 |
| Genişlik (mm): B | 15 |
| Dinamik Yük : KN[Cr] | 14.00 |
| Statik Yük : KN[C0r] | 7.90 |
| Gres Yağı /Devir Hız Sınırı : [dk] | 8.000 |
| Sıvı Yağ /Devir Hız Sınırı : [dk] | – |
| Çalışma Boşluk Değeri : | C3 |
| Yağlama Türü: | Gres |
| Ürün Ağırlığı: | 0.142 kg |