0536 576 59 69
eticaret@stsrulman.com.tr
Online Rulman ve Ekipmanları Satış Sitesi
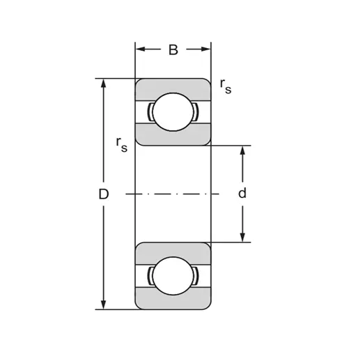
Ölçü: 12x21x5
61801 serili rulmanlar dar ve sınırlı alanla da kullanılabilir. Düşük ağırlık ve yüksek hızlara izin verir.
Ürünün teknik bilgileri aşağıda yer almaktadır.
| Detaylı Bilgiler | |
|---|---|
| İç Çap Ø (mm): d | 12 |
| Diş Çap Ø (mm): D | 21 |
| Genişlik (mm): B | 5 |
| Dinamik Yük : Cr [KN] | 1.43 |
| Statik Yük : Cor [KN] | 0.67 |
| Gres Hız Sınırı : [dk] | 32.000 |
| Sıvı Yağ Hız Sınırı : [dk] | 38.000 |
| Yağlama Türü: | Gres |
| Ürün Ağırlığı: | 0.0063 kg |