CSK 35 PP KOLBEN Tek Yönlü Rulman

Ölçü: 35x72x17

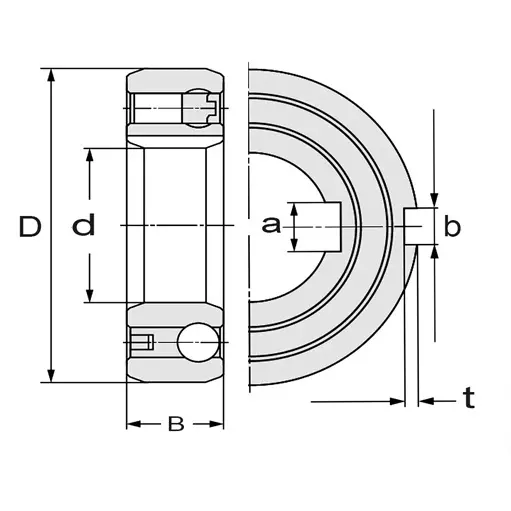
Ürünün teknik bilgileri aşağıda yer almaktadır.

İç Çap Ø (mm): d35
Dış Çap Ø (mm): D72
Genişlik  (mm): B17
Dış Kama Genişliği (mm): b8
Dış Kama Yüksekliği (mm): t2.5
İç Kama Genişliği (mm): a10×2.4
Dinamik Yük  :KN [Cr]12.60
Statik Yük  : KN [C0r]7.28
Devir Hız Sınırı : [dk]3.600
 Tork [N.m]175.0
Sürüklenme Tork [N.cm]5.8
Ürün Ağırlığı : Kg0.400

Açıklama

Kullanım Alanları

 



Whatsapp İletişim