SS UCFL 210 Paslanmaz Yataklı Rulman

Ölçü: 50 mm
Ürünün teknik bilgileri aşağıda yer almaktadır.

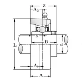
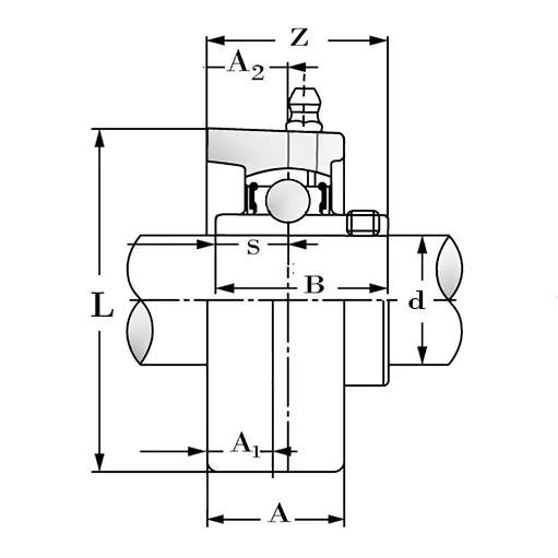
Detaylı Bilgiler
Mil Çapı Ø (mm): d50
Toplam Uzunluk : H (mm)195
Bağlantı Merkez Ölçüsü : J (mm)157
 Gövde Merkez Yüksek : A2 (mm)22
Bağlantı Gövde Yüksek : A1 (mm)16
 Gövde Yüksek : A  (mm)40
Montaj Bağ. Slot ölçüsü : 4-N (mm)16
 Gövde Genişlik : L (mm)115
Toplam Yükseklik Ölçüsü : Z (mm)54.6
Rulman Genişlik Ölçüsü : B (mm)51.6
Rulman Merkez Ölçüsü : S (mm)19.0
Dinamik Yük : [KN]34.99
 Statik Yük    :  [KN] .23.70
Devir Hız Sınırı : Dev/dak.1.800
Ürün Ağırlığı : Kg2.470

 

Açıklama

Kullanım Alanları

  • Gıda Endüstrisi
  • Deri işleme Tesisleri
  •  Kozmetik Dolum Makinaları
  • Sıvı Dolum Makinaları
  • Medikal Tıbbı Cihazlar
  • Atık Su Arıtma Tesisleri


Whatsapp İletişim